ST意法半導體公司的STM32H750微控制器是他們現有的STM32H7產品的價值線。通過限制產品中嵌入式Flash的數量,這條價值線提供了一個突破性的價格水平,在STM32H7系列中沒有提供到目前為止。STM32H7值線仍然提供了足夠的嵌入式Flash來安全地存儲引導代碼或實時代碼和數據。
STM32H750設備基于高性能Arm Cortex-M7 32位RISC核心,工作頻率高達400 MHz。Cortex-M7核心具有一個浮點單元(FPU),支持Arm雙精度和單精度數據處理指令和數據類型。STM32H750設備支持全套DSP指令和內存保護單元(MPU),以提高應用程序的安全性。
所有的設備提供三個adc,兩個dac,兩個超低功耗比較器,一個低功耗RTC,一個高分辨率定時器,12個通用16位定時器,兩個用于電機控制的PWM定時器,五個低功耗定時器,一個真正的隨機數發生器(RNG),和一個密碼加速單元。該器件支持外部sigma-delta調制器(DFSDM)的四個數字濾波器。它們還具有標準和先進的通信接口。
STM32H750xB器件工作在-40°C至+85°C的溫度范圍內,電源為1.62 V至3.6 V。通過使用外部電源管理器并將PDR_ON引腳連接到VSS,供電電壓可以降至1.62 V。否則,電源電壓必須保持在1.71 V以上,嵌入式電源電壓檢測器啟用。除了LQFP100以外,所有包上都有USB專用電源輸入,以允許更大的電源選擇。一套全面的節能模式允許低功耗應用程序的設計。
STM32H750xB器件提供三種封裝,范圍從100針到240針/球。外設集包括所選設備的更改。
STM32H750特性
32位Arm Cortex-M7內核
128千字節的閃存
安全
ROP, PC-ROP,主動篡改,安全固件升級支持,安全訪問模式
通用輸入/輸出
多達168個I/O端口具有中斷能力
復位和電源管理
低功率消耗
時鐘管理
互連矩陣
4個DMA控制器卸載CPU
多達35個通信外設
11模擬外設
圖形
LCD-TFT控制器高達XGA分辨率
Chrom-ART圖形硬件加速器(DMA2D),以減少CPU負載
硬件JPEG編解碼器
多達22個計時器和看門狗
加密加速
調試模式
96位的惟一ID
所有包都是ECOPACK2兼容的
STM32H750應用領域
電機驅動和應用控制
醫療設備
工業應用
PLC)
逆變器
斷路器
打印機和掃描儀
報警系統,視頻對講機,暖通空調
家用音響設備
移動應用、物聯網
可穿戴設備:smartwatches
STM32H750電路原理圖

STM32H750封裝引腳圖





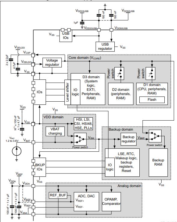
供電方案圖

詢價列表 ( 件產品)
哦! 它是空的。