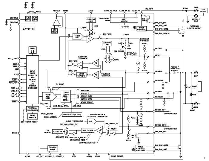
AD74115H是一款軟件可配置的單通道輸入/輸出設備,用于工業控制應用。AD74115H集成在單片上,提供廣泛的使用案例。這些使用案例包括模擬輸出、模擬輸入、數字輸出、數字輸入和電阻溫度檢測器(RTD)和熱電偶測量的功能。AD74115H還有一個集成HART調制解調器。使用一個串行外圍接口(SPI)處理所有與設備的通信,包括與HART調制解調器的通信??赏ㄟ^SPI或通用輸入和輸出(GPIO)引腳來評估數字輸入和數字輸出,來支持更高速的數據速率。
該設備配備一個16位Σ-Δ模數轉換器(ADC)和一個14位數模轉換器(DAC)。AD74115H包含一個高精度2.5 V片上基準電壓源,可用作DAC和ADC的基準。

通過ADP1034配套產品提供電源和隔離。ADP1034和AD74115H一起使用時,正模擬電源AVDD上具備可編程功率控制(PPC),實現最終應用中的優化功率解決方案。如果需要單極功能,可以啟用一個片上充電泵。
AD74115H優勢和特點
單通道軟件可配置的輸入/輸出
多個可配置模式采用一個引腳
電壓輸入
電流輸入
電壓輸出
電流輸出
數字輸入
數字輸出
2線、3線或4線RTD測量
熱電偶測量
面向引腳的螺絲端子能夠承受過壓,無論是否通電
輔助高電壓感應引腳
10ppm°參照溫度系數
具有可選50 Hz和60 Hz抑制性能的16位Σ-ΔADC
14 位單調 DAC
單極和雙極能力
集成式HART調制解調器
片內診斷,包括開路和短路檢測
內部溫度傳感器,精度為 ±5°C
兼容 SPI
寬電源電壓范圍
可編程電源控制
溫度范圍:?40°C 至 +105°C
48 引腳 LFCSP
AD74115H應用
隔離工業控制系統
過程控制
工廠自動化
樓宇控制系統
AD74115H封裝引腳圖

AD74115H功能框圖

AD74115H工作原理圖

詢價列表 ( 件產品)
哦! 它是空的。