ULN2803ADWR器件是一個50伏、500毫安的達林頓晶體管陣列。該設備由八對NPN達林頓組成,具有高壓輸出和用于切換電感負載的公共陰極鉗位二極管。每個達林頓對的集電極額定電流為500mA。達林頓對可以并聯連接以獲得更高的電流能力。

應用包括繼電器驅動器、錘子驅動器、燈驅動器、顯示驅動器(LED和氣體放電)、線路驅動器和邏輯緩沖器。這個ULN2803ADWR器件的每個達林頓對都有一個2.7-kΩ的串聯基極電阻器,用于直接與TTL或5V CMOS器件一起操作。
特征
500 mA額定集電極電流(單輸出)
高壓輸出:50 V
輸出箝位二極管
與各種類型的邏輯兼容的輸入
應用
線路驅動器
邏輯緩沖器
步進電機
IP攝像頭
繼電器驅動器
液壓錘驅動器
燈驅動器
顯示器驅動器(LED和氣體放電)
暖通空調閥門和LED點陣
邏輯圖

引腳

功能框圖

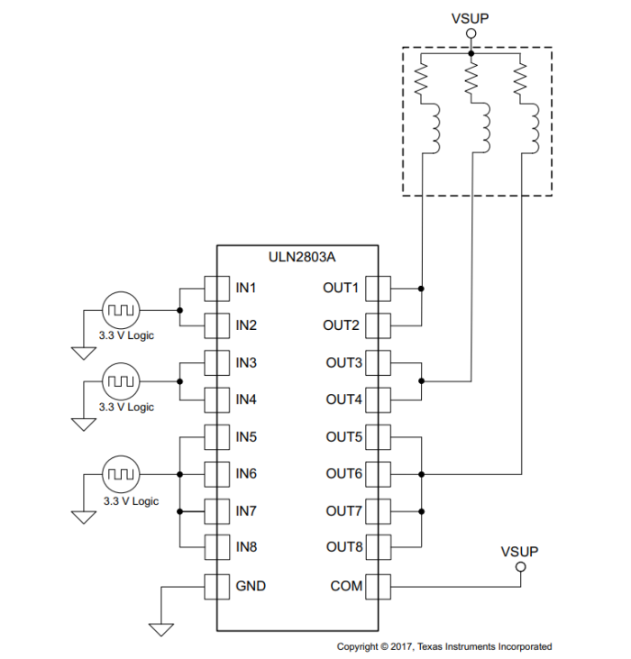
典型應用圖

詢價列表 ( 件產品)
哦! 它是空的。