CYW20730A2KML2GT是一款藍牙5.0和Wi-Fi雙模芯片,由賽普拉斯(Cypress)公司生產。它具有以下技術參數:
– 支持藍牙5.0和Wi-Fi雙模
– 支持BLE(低功耗藍牙)和Classic藍牙
– 支持802.11a/b/g/n Wi-Fi標準
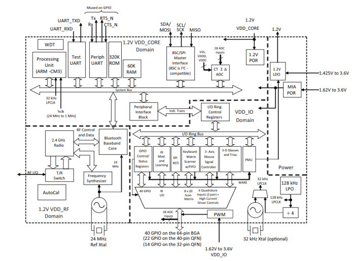
– 內置ARM Cortex-M3處理器
– 集成了多種外設接口,如UART、SPI、I2C、GPIO等
– 支持多種安全協議,如WPA2、AES、TKIP等
CYW20730A2KML2GT芯片廣泛應用于智能家居、智能穿戴、智能醫療、智能交通等領域。它可以用于連接各種設備,如手機、平板電腦、電視、音響等,實現數據傳輸和控制。此外,它還可以用于物聯網(IoT)應用,如智能家居控制中心、智能門鎖、智能燈具等。
CYW20730A2KML2GT引腳

CYW20730A2KML2GT方框圖

詢價列表 ( 件產品)
哦! 它是空的。