在通信領域中,美信MAX483ESA RS-485/RS-422芯片無疑是一顆耀眼的明星。作為一款功能強大且應用廣泛的芯片,MAX483ESA在工業自動化、建筑控制、數據采集系統等領域發揮著重要作用。它具備高速傳輸、抗干擾能力強等優點,備受行業認可。

首先,讓我們來了解一下MAX483ESA芯片的基本特點。MAX483ESA是一款集成了收發器和線路保護器的芯片,支持RS-485和RS-422標準。它采用低功耗工藝和高速傳輸技術,能夠實現高達250kbps的數據傳輸速率。此外,它還具備抗干擾能力強的特點,可以在復雜的工業環境中保持穩定的通信。
優勢和特點
低功耗最大程度減少散熱、降低系統成本
120μA至500μA靜態電流
0.1μA關斷電流
5V單電源供電
限擺率驅動器
數據率高達250kbps
不受限驅動器:數據率高達2.5Mbps
集成保護提高系統可靠性
短路限流驅動器
集成熱關斷
接收器失效保護,防止輸入開路
保證邏輯高電平
1/4單位負載(僅限MAX487/ MAX1487)允許同一總線上掛接多達128片器件
48kΩ接收器輸入電阻
參數
電源電壓:4.75V~5.25V
數據速率:250Kbps
驅動器/接收器:1/1
工作溫度:-40℃~+85℃
應用
工業控制局域網
電平轉換器
低功耗RS-422收發器
低功耗RS-485收發器
用于EMI敏感應用的收發器

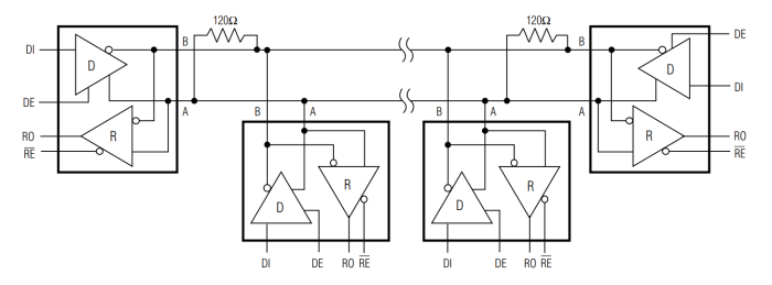
典型的半雙工RS-485網絡應用電路圖

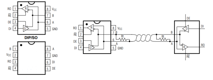
引腳配置與典型工作電路
詢價列表 ( 件產品)
哦! 它是空的。