在現代科技領域中,意法半導體STM32L476VGT6單片機作為一種先進的嵌入式系統解決方案,引起了廣泛的關注。本文將詳細介紹STM32L476VGT6單片機的特點、應用場景以及其在物聯網和工業自動化領域中的重要作用。

STM32L476VGT6單片機具有出色的性能和高度集成的特點。它采用ARM Cortex-M4內核,運行頻率高達80MHz,配備了大容量的閃存和SRAM,以及豐富的外設接口,如UART、SPI、I2C等。這些特性使得STM32L476VGT6單片機成為開發各種嵌入式系統的理想選擇。
STM32L476VGT6單片機在物聯網應用中具有重要意義。物聯網的快速發展給各行各業帶來了巨大的機遇和挑戰,而STM32L476VGT6單片機恰好滿足了物聯網設備對低功耗、高安全性和可靠性的要求。它支持多種無線通信標準,如Wi-Fi、藍牙和LoRaWAN,可以實現設備之間的互聯互通,并通過豐富的傳感器接口實現對環境數據的采集和處理。
STM32L476VGT6的應用
智能家居:智能照明系統、溫度監測和控制和安全警報系統
智能穿戴設備:可穿戴設備或健康監測設備,例如腕表、運動手環、心率檢測儀
IoT設備:家居自動化、智能城市、智能工業
汽車電子系統:車載電子控制系統,汽車娛樂系統、導航系統和車輛健康監控系統
能源管理:智能家電、太陽能電池板和充電控制器
行業自動化:工業控制、機器人控制和制造業的自動化應用,例如自動化停車場和各種機器設備
STM32L476VGT6的參數
品牌:ST(意法半導體)
分類:32位微控制器MCU
系列:STM32L4
是否無鉛:無鉛 / 符合限制有害物質指令(RoHS)規范要求
安裝類型:SMT
封裝/外殼:LQFP-100
工作溫度:-40~+85℃
接口:CANbus, EBI/EMI, I2C, IrDA, LINbus, MMC/SD, QSPI, SAI, SPI, SWPMI, UART/USART, USB OTG
零件狀態:Active
CPU內核:ARM? Cortex?-M4
主頻速度(Max):80MHz
I/O口總數:82
程序空間容量:1MB
程序空間類型:FLASH
工作電壓(范圍):1.71~3.6V
內存RAM容量:128x8KB
內核規格:32Bit
供電電壓:1.71~3.6V
STM32L476VGT6的功能框圖

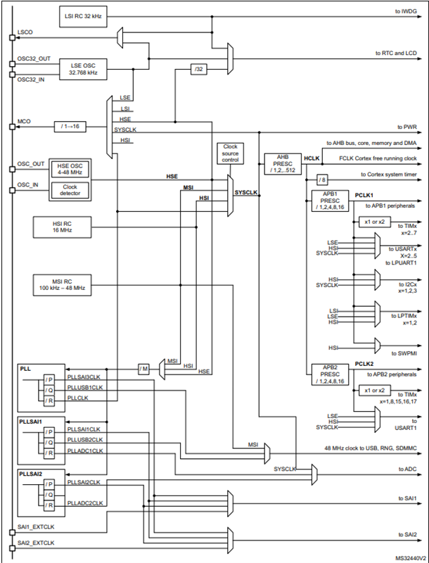
STM32L476VGT6的時鐘樹圖

STM32L476VGT6的引腳圖

詢價列表 ( 件產品)
哦! 它是空的。