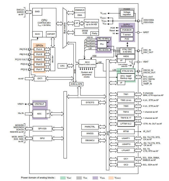
ST(意法半導體)生產的型號STM32G031F8P6屬于微控制器,基于高性能Arm?Cortex?-M0+32位RISC內核,工作頻率高達64MHz。它們提供了高級別的集成,適用于消費者、工業和家電領域的廣泛應用,并為物聯網(IoT)解決方案做好了準備。

STM32G031F8P6包括存儲器保護單元(MPU)、高速嵌入式存儲器(8 KB SRAM和高達64 KB閃存程序存儲器,具有讀保護、寫保護、專有代碼保護和安全區域)、DMA、廣泛的系統功能、增強的I/O和外圍設備。
STM32G031F8P6提供標準通信接口(兩個I2C、兩個SPI/一個I2S和兩個USART)、一個12位ADC(2.5 MSps)(最多19個通道)、內部電壓參考緩沖器、一個低功耗RTC、一個以CPU頻率兩倍運行的高級控制PWM定時器、四個通用16位定時器、一個32位通用定時器、兩個低功耗16位定時器和兩個看門狗定時器,和SysTick計時器。
STM32G031F8P6的功能特點
1、ARM Cortex-M0+內核:搭載了ARM Cortex-M0+ 32位處理器內核,具有低功耗和高性能的特點,適合在電源受限的應用中使用。
2、低功耗特性:針對電池供電和低功耗應用而設計,具有優秀的功耗管理和省電特性,能夠延長設備的工作時間。
3、多種通信接口:集成了多種通信接口,包括SPI、I2C、USART等,便于與外部設備進行通信和互聯。
4、豐富的外設功能:具有多個通用定時器、嵌套向量中斷控制器(NVIC)、模數轉換器(ADC)、數字模擬轉換器(DAC)等豐富的外設功能,適用于多種應用場景。
5、寬電壓工作范圍:工作電壓范圍廣泛,從2V至3.6V,適用于不同的電源供應情況。
6、豐富的封裝選項:提供了多種封裝選項,滿足不同應用的布局和空間要求。
STM32G031F8P6的應用領域
STM32G031F8P6是一款32位ARM Cortex-M0+內核微控制器,其主要應用領域如下:
1、工業控制:STM32G031F8P6可應用于工業控制系統中,如工控網關、傳感器接口、工業自動化設備等。其豐富的外設集成和可靠的性能使其能夠處理復雜的工業控制任務。
2、智能家居:在智能家居領域,STM32G031F8P6可用于控制和管理家居設備,如智能插座、智能燈具、智能門鎖等,實現遠程控制和互聯互通。
3、智能醫療:在醫療器械和醫療設備領域,STM32G031F8P6可用于實現數據采集、信號處理、控制和通信功能,應用于便攜式醫療設備、健康監測設備等。
4、智能傳感器:由于低功耗特性,STM32G031F8P6可應用于各種智能傳感器中,如環境監測傳感器、智能家居傳感器、工業自動化傳感器等。
STM32G031F8P6的中文參數
品牌:ST(意法半導體)
產品分類:32位MCU
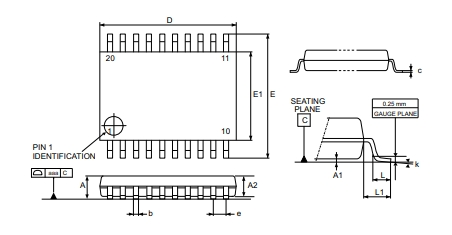
封裝:TSSOP-20
核心處理器:ARM Cortex-M0+
內核規格:32-位
速度:64MHz
連接能力:I2C,IrDA,LINbus,SPI,UART/USART
外設:欠壓檢測/復位,DMA,I2S,POR,PWM,WDT
程序存儲容量:64KB(64K x 8)
程序存儲器類型:閃存
EEPROM容量:-
RAM大小:18K x 8
電壓-供電(Vcc/Vdd):2V ~ 3.6V
數據轉換器:A/D 12b SAR
振蕩器類型:外部,內部
工作溫度:-40°C ~ 85°C(TA)
安裝類型:表面貼裝型
STM32G031F8P6的引腳封裝圖


STM32G031F8P6的原理圖

STM32G031F8P6的型號解釋圖

詢價列表 ( 件產品)
哦! 它是空的。