TI德州儀器RC4558DR器件是一種雙通用運算放大器,在電氣上表現有一半與UA741器件相似,只是沒有提供偏移零位功能。
高共模輸入電壓范圍和無鎖存使該放大器成為電壓跟隨器應用的理想選擇。該裝置具有短路保護,內部頻率補償確保了穩定性,無需外部組件。

特性
連續短路保護
寬共模和差分電壓范圍
無需頻率補償
低功耗
無閂鎖
單位增益帶寬:3 MHz典型值
放大器之間的增益和相位匹配
低噪聲:1 kHz時典型為8 nV/√Hz
封裝引腳:SOP-8
應用
DVD錄像機和播放器
專業音頻混音器
非反相放大器示意圖

單端輸入到差分輸出轉換示意圖

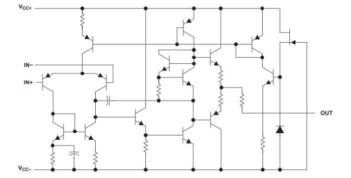
功能框圖

引腳和引腳功能

詢價列表 ( 件產品)
哦! 它是空的。