ST(意法半導體)的型號STM32F030CCT6TR屬于32位MCU微控制器,集成了高性能Arm?Cortex?-M0 32位RISC核心,在48MHz頻率下工作,高速嵌入式存儲器(高達256千字節的閃存和高達32千字節的SRAM),以及廣泛的增強外設和I/o。

STM32F030CCT6TR提供標準通信接口(最多兩個i2c,最多兩個spi和最多6個usart),一個12位ADC, 7個通用16位計時器和一個高級控制PWM計時器STM32F030x4/x6/x8/xC微控制器工作在-40到+85°C的溫度范圍內,2.4到3.6V電源。一套全面的省電模式允許設計低功耗應用程序。
意法半導體STM32F030CCT6TR的功能特點
1、核心:Arm?32位Cortex?-M0 CPU,頻率高達48MHz
2、記憶:
(1)16kbytes ~ 256kbytes的閃存
(2)4 ~ 32kbytes的SRAM與HW奇偶校驗
(3)CRC計算單元
(4)數字和I/ o電源:VDD = 2.4 V到3.6 V
(5)模擬電源:VDDA = VDD至3.6 V
(6)開機/關機復位(POR/PDR)
(7)低功耗模式:休眠、停止、待機
3、時鐘管理
(1)4至32兆赫的晶體振蕩器
(2)校準的RTC 32khz振蕩器
(3)內部8 MHz RC與x6鎖相環選項
(4)內部40khz RC振蕩器
(5)最多55個快速I/ o
所有可映射到外部中斷向量
高達55個I/ o, 5V容錯能力
(6)5通道DMA控制器
(7)一個12位,1.0μs ADC(最多16通道)
轉換范圍:0 ~ 3.6 V
獨立模擬電源:2.4 V至3.6 V
(8)日歷RTC與報警和定期喚醒從停止/備用
(9)11個定時器
4、一個16位高級控制定時器,六通道PWM輸出,最多7個16位定時器,最多4個IC/OC、OCN,用于紅外控制。
意法半導體STM32F030CCT6TR的中文參數
品牌:ST(意法半導體)
產品分類:32位MCU
電壓-供電(Vcc/Vdd):2.4V ~ 3.6V
數據轉換器:A/D 12x12b
封裝:48-LQFP(7x7)
振蕩器類型:內部
包裝:圓盤
工作溫度:-40°C ~ 85°C(TA)
商品標簽:通用類MCU
安裝類型:表面貼裝型
核心處理器:ARM Cortex-M0
基本產品編號:STM32
內核規格:32-位
程序存儲容量:256KB(256K x 8)
速度:48MHz
程序存儲器類型:閃存
連接能力:I2C,SPI,UART/USART
EEPROM容量:-
外設:DMA,POR,PWM,WDT
RAM大小:32K x 8
I/O數:39
意法半導體STM32F030CCT6TR的應用領域
STM32F030CCT6TR是一款32位微控制器,具有高性能和低功耗的特點,其主要應用領域如下:
工業控制:STM32F031C6T7可用于工業自動化、過程控制、電機控制、機器人等領域。它具備高速計算和精準控制的能力,可以實現復雜的控制算法和實時反饋。
消費電子:STM32F031C6T7可廣泛應用于消費電子產品,如智能家居設備、智能電視、音頻設備、數字相機、游戲機等。它具備良好的圖形處理和數據處理能力,能夠支持多媒體應用和高性能算法。
通信:STM32F031C6T7可應用于各種通信設備,包括無線通信模塊、網絡設備、電話設備等。它支持多種通信協議和接口,如UART、SPI、I2C、USB等,能夠實現穩定的數據傳輸和通信功能。
醫療設備:STM32F031C6T7可用于各種醫療設備,如醫學圖像處理、生命體征監測、醫療儀器等。它具備高精度和低功耗的特點,能夠實現可靠的數據采集和實時處理。
安防監控:STM32F031C6T7適用于安防監控系統、視頻監控設備、入侵報警系統等。它具備高性能的圖像處理和壓縮編碼能力,能夠實現高清視頻的實時傳輸和存儲。
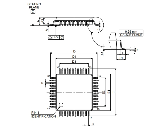
意法半導體STM32F030CCT6TR的引腳封裝圖


意法半導體STM32F030CCT6TR的功能方框圖

意法半導體STM32F030CCT6TR的型號解釋圖

詢價列表 ( 件產品)
哦! 它是空的。