ST(意法半導體)的型號STM32F031C6T7屬于32位MCU微控制器,集成了高性能ARM?Cortex?- M0 32位RISC核心,工作頻率高達48MHz,高速嵌入式存儲器(高達32千字節的閃存和4千字節的SRAM),以及廣泛的增強外設和I/o。
.png)
STM32F031C6T7提供標準通信接口(一個i2c,一個SPI/I2S和一個USART),一個12位ADC,五個16位定時器,一個32位定時器和一個高級控制PWM定時器。STM32F031C6T7微控制器工作在-40到+85°C和-40到+105°C的溫度范圍內,從2.0到3.6V電源。一套全面的省電模式允許設計低功耗應用程序。
意法半導體STM32F031C6T7的功能特點
1、高性能處理器:STM32F031C6T7采用了最新的ARM Cortex-M0內核,供電頻率高達48MHz,能夠提供出色的運算性能和響應速度。
2、豐富的外設接口:STM32F031C6T7提供了多種外設接口,包括多個通用輸入輸出端口(GPIO)、串行接口(UART、SPI、I2C)、模擬輸入輸出端口(ADC、DAC)等,能夠滿足各種應用需求。
3、低功耗設計:STM32F031C6T7具有低功耗特性,通過智能功耗管理機制可以實現低功耗運行和待機模式,能夠極大地延長設備的電池壽命。
4、豐富的存儲器:STM32F031C6T7內部集成了32KB的閃存存儲器,用于存儲應用程序代碼和數據。此外,還有4KB的SRAM用于臨時數據存儲。
5、強大的通信能力:STM32F031C6T7支持通信接口,包括UART、SPI、I2C等多種通信協議。這使得它能夠與外部設備進行高效的數據交換和通信。
6、多種時鐘源:STM32F031C6T7具有多種時鐘源,包括內部RC振蕩器、外部晶體振蕩器和外部時鐘信號輸入。這使得它具有靈活的時鐘配置能力,能夠滿足不同應用場景的需求。
意法半導體STM32F031C6T7的中文參數
品牌:ST(意法半導體)
產品分類:32位MCU
系列:STM32F0
是否無鉛:Yes
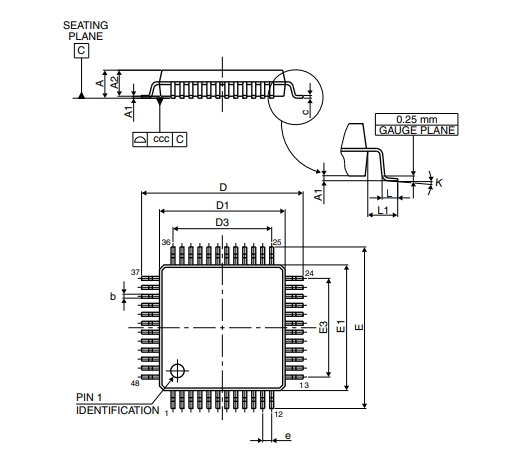
封裝/外殼:LQFP48_7X7MM
工作溫度:-40℃~+105℃
CPU內核:ARM Cortex-M0
核心尺寸:32-位
主頻速度(Max):48MHz
I/O數:39
程序空間容量:32KB(32Kx8)
程序空間類型:閃存
工作電壓(范圍):2V~3.6V
連接性:I2C,IrDA,LIN,SPI,UART/USART
內存RAM容量:4Kx8
意法半導體STM32F031C6T7的應用領域
STM32F031C6T7是一款32位微控制器,具有高性能和低功耗的特點,其主要應用領域如下:
通信:STM32F031C6T7可應用于各種通信設備,包括無線通信模塊、網絡設備、電話設備等。它支持多種通信協議和接口,如UART、SPI、I2C、USB等,能夠實現穩定的數據傳輸和通信功能。
醫療設備:STM32F031C6T7可用于各種醫療設備,如醫學圖像處理、生命體征監測、醫療儀器等。它具備高精度和低功耗的特點,能夠實現可靠的數據采集和實時處理。
安防監控:STM32F031C6T7適用于安防監控系統、視頻監控設備、入侵報警系統等。它具備高性能的圖像處理和壓縮編碼能力,能夠實現高清視頻的實時傳輸和存儲。
工業控制:STM32F031C6T7可用于工業自動化、過程控制、電機控制、機器人等領域。它具備高速計算和精準控制的能力,可以實現復雜的控制算法和實時反饋。
消費電子:STM32F031C6T7可廣泛應用于消費電子產品,如智能家居設備、智能電視、音頻設備、數字相機、游戲機等。它具備良好的圖形處理和數據處理能力,能夠支持多媒體應用和高性能算法。


意法半導體STM32F031C6T7的引腳封裝圖

意法半導體STM32F031C6T7的功能方框圖

意法半導體STM32F031C6T7的型號解釋圖
詢價列表 ( 件產品)
哦! 它是空的。