ST(意法半導體)的型號STM32G030C8T6屬于32位MCU微控制器,基于高性能Arm?Cortex?-M0+32位RISC核心,工作頻率高達64mhz。它們提供了適用于消費、工業和家電領域的高水平集成,并為物聯網(IOT)解決方案做好了準備。

STM32G030C8T6包括一個內存保護單元(MPU),一個高速嵌入式存儲器(8kbytes的SRAM和一個高達64kbytes的Flash程序存儲器,具有讀取保護和書寫保護),一個廣泛的系統功能,一個增強的I/O和外圍設備。該設備提供標準通信接口(兩個i2c,兩個spi/一個I2S和兩個USARTS),一個12位ADC(2.5MSPS)多達19通道,一個低功耗RTC,一個先進的控制PWM定時器,四個通用16位定時器,兩個看門狗定時器和一個Systick定時器。
STM32G030C8T6的環境溫度為-40~85°C,電源電壓為2.0V~3.6V。結合一套綜合節電模式,優化動態消耗,允許設計低功耗應用。VBAT直接電池輸入允許RTC和備份寄存器供電。
意法半導體STM32G030C8T6的中文參數
品牌:ST(意法半導體)
產品分類:32位MCU
程序存儲容量:64KB(64K x 8)
程序存儲器類型:閃存
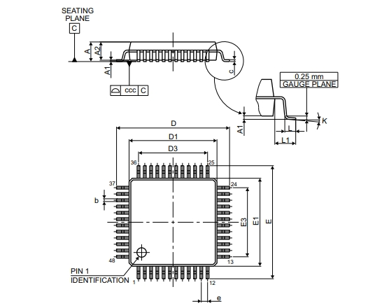
封裝:48-LQFP(7x7)
EEPROM容量:-
商品標簽:高性能MCU
RAM大小:8K x 8
核心處理器:ARM Cortex-M0+
電壓-供電(Vcc/Vdd):2V ~ 3.6V
內核規格:32-位
數據轉換器:A/D 19x12b
速度:64MHz
振蕩器類型:內部
連接能力:I2C,IrDA,LINbus,SPI,UART/USART
工作溫度:-40°C ~ 85°C(TA)
外設:DMA,I2S,POR,PWM,WDT
安裝類型:表面貼裝型
I/O數:44
基本產品編號:STM32
意法半導體STM32G030C8T6的功能特點
1、ARM Cortex-M0+內核:STM32G030C8T6采用了ARM Cortex-M0+內核,具有高性能和低功耗的特點。它能夠運行高度優化的指令集,提供高效的數據處理能力。
2、64KB Flash存儲器:STM32G030C8T6配備了64KB的Flash存儲器,用于存儲應用程序和數據。這個存儲器容量足夠大,能夠滿足各種應用的需求。
3、8KB SRAM:STM32G030C8T6還配備了8KB的靜態隨機存儲器(SRAM),用于存儲臨時數據和運行時堆棧。這個存儲器速度快且易于訪問,能夠提供快速的數據存取。
4、多個串行通信接口:STM32G030C8T6內置多個串行通信接口,包括SPI、I2C和USART等。這些接口能夠與外部設備進行通信,實現數據的傳輸和控制。
5、多種外設:STM32G030C8T6集成了多種外設,例如模數轉換器(ADC)、硬件定時器(TIM)和通用串行總線(USB)等。這些外設能夠滿足不同應用的需求,提供豐富的功能和靈活性。
6、多個GPIO引腳:STM32G030C8T6具有多個GPIO引腳,可用于連接各種外部設備和傳感器。這些引腳可用于輸入和輸出數字信號,以實現與外部環境的交互。
7、低功耗模式:STM32G030C8T6支持多種低功耗模式,可以在不同的應用場景下有效降低功耗。這些低功耗模式可以延長電池壽命,并減少系統的能耗。
8、豐富的開發工具和軟件支持:意法半導體提供了豐富的開發工具和軟件支持,包括STM32Cube軟件開發套件和應用程序示例。這些工具和軟件可以幫助開發者快速上手并開發出高質量的應用程序。
意法半導體STM32G030C8T6的應用領域
STM32G030C8T6是一款32位Cortex-M0+內核的微控制器,其主要應用領域如下:
工業自動化:STM32G030C8T6提供了一系列的通用輸入/輸出接口、定時器、串口和模擬接口,適用于工業自動化中的控制、監測和數據采集應用。
物聯網(IoT):STM32G030C8T6具有低功耗和高性能的特點,非常適用于物聯網設備中的嵌入式系統。它可以用于傳感器數據采集、數據傳輸和物聯網網關等應用。
家用電子產品:由于STM32G030C8T6具有豐富的外設集成和較高的性能,它可以應用于家用電子產品,如智能家居設備、便攜式消費電子產品和家用電器控制等。
醫療設備:在醫療設備中,STM32G030C8T6可以用于醫療監測、信息傳輸、藥物配送和電子診斷等應用。其低功耗和高性能特性對于電池供電的便攜式設備非常有用。
智能交通系統:STM32G030C8T6可以用于智能交通系統中的交通信號控制、車輛監測、車載娛樂系統和智能網聯等應用。
消費電子產品:STM32G030C8T6適用于各種消費電子產品,如游戲機、音頻系統、可穿戴設備和智能手機等。
意法半導體STM32G030C8T6的功能方框圖

意法半導體STM32G030C8T6的引腳封裝圖


意法半導體STM32G030C8T6的型號解釋圖

詢價列表 ( 件產品)
哦! 它是空的。